Назначение:
Компрессорно-конденсаторные блоки VCU предназначены для подготовки жидкого хладагента, подаваемого в секцию прямого испарения системы кондиционирования воздуха.
- Хладагент: фреон R410А;
- Тип исполнения: только охлаждение;
- Холодопроизводительность: от 3,5 до 45 кВт;
- Коэффициент энергоэффективности: EER 2,8;
- Максимальная длина трассы: от 15 до 50 м (в зависимости от типоразмера);
- Диапазон рабочих температур окружающего воздуха: +10°С до +50°С.
Конструкция корпуса
Несущий корпус из оцинкованной стали с порошковым полиэфирным покрытием. Резиновые виброизоляторы входят в комплект поставки. Лёгкий доступ к внутренним компонентам с помощью съемных панелей.
Компрессоры
Герметичный ротационный компрессор с однофазным (типоразмеры 003–010) или трехфазным двигателем (типоразмеры 016–022) и спиральный компрессор с трёхфазным двигателем (типоразмеры 028–045), установленный на виброизоляторах. Встроенная защита обмоток двигателя от перегрузки.
Вентиляторы
Осевые низкооборотные вентиляторы с лопатками особой формы (низкий уровень шума). Встроенная защита электродвигателя вентилятора от перегрева. Степень защиты: IP 54. Защитная решётка на нагнетании.
Конденсатор
Осевые низкооборотные вентиляторы с лопатками особой формы (низкий уровень шума). Встроенная защита электродвигателя вентилятора от перегрева. Степень защиты: IP 54. Защитная решётка на нагнетании.
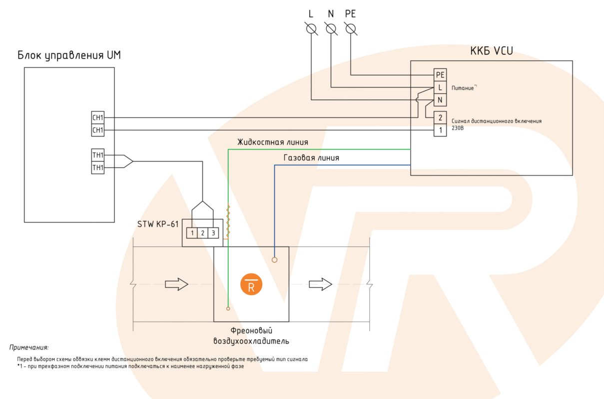
Блок управления
В состав блока управления входят следующие компоненты: вводной выключатель; реле контроля фаз и индикаторы работа / авария; цепь защиты с ручным возвратом в рабочее состояние по аварии температуры обмоток вентилятора, высокому и низкому давлениям, токовой защите двигателей компрессоров; контакты для дистанционного управления работой и индикации работа / авария.
Холодильный контур
Один контур. Компоненты: реле высокого давления с автоматическим возвратом в рабочее состояние; реле низкого давления; датчик давления конденсации; сервисные клапаны Шредера; запорные вентили на выходе из компрессорно-конденсаторного блока.
Воздушное отопление / Завесы
Вентиляционное оборудование
Компактные установки
Системы кондиционирования
Смесительные узлы


